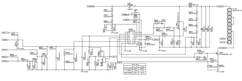
Gyd 9e схема подключения
Gyd 9e схема включения - Фото подборки 3
Gyd 9e схема включения - 79 фото
В наушниках по жизни: 1 заметка с тегом GYD-9E
GYD-9E - LCDQuote.com
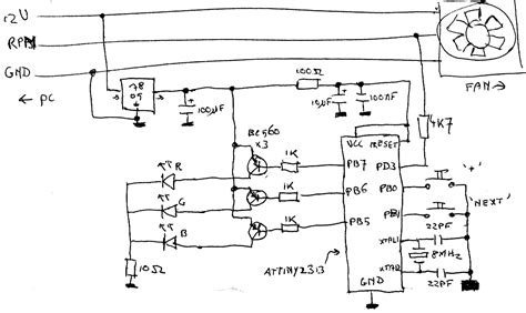
Gyd 9e регулировка яркости
Gyd 9e регулировка яркости – В наушниках по жиз...
Gyd 9e схема включения - 98 фото