Датчик уровня воды для насоса
Схема включения насоса с двумя датчиками уровня
Датчики. Какие бывают датчики, их принцип работ...
Датчик уровня воды в резервуаре для включения и...
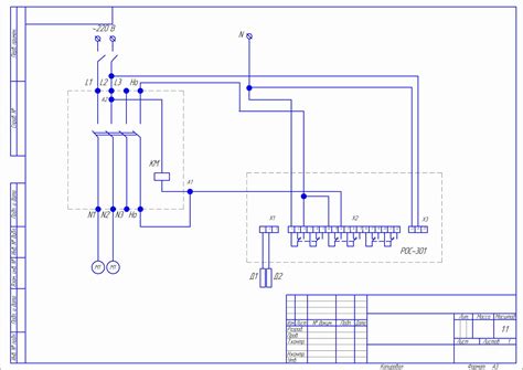
Рос 301 датчик реле уровня схема подключения дл...
Схема подключения насоса через реле давления
Как выбрать датчики уровня воды для управления ...
Датчик уровня воды для насоса - экспертные стат...
Электрическое подключение насоса
Датчик уровня воды для включения и отключения н...
Датчики уровня для управления насосом - Статьи ...