Тюнинг Форд Мондео 3 своими руками: салона, куз...
Форд Мондео 3 Тюнинг Фото – Telegraph
3D модель трехфазный генератор - TurboSquid 107...
Генератор із 3 фазного Електродвигуна та мотобл...
Мондео 3 Фото – Telegraph
Технические характеристики Форд Мондео 3
Форд мондео 3 (38 фото) - красивые картинки и H...
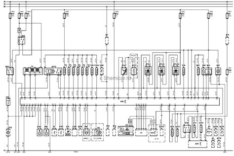
Схема генератора мондео 3
Форд Мондео 3 Фото – Telegraph
Generator 3d model
Купить 3-ФАЗНЫЙ ГЕНЕРАТОР ГЕНЕРАТОР, ТРЕХФАЗНЫЙ...
дергается форд мондео 3 - Автомобили Форд
Бензиновый генератор 3
Генератор. Для чого вистачає 3-х кіловатного од...
Картинки Форд Мондео 3 – Telegraph
Бестопливный генератор Джона Серла — энергия бу...
Картинки Мондео 3 – Telegraph
"Генератор Форд Мондео 3, МКПП - YouTube
Предохранители Форд Мондео 3 c описанием назнач...
Передний бампер форд мондео 3 тюнинг - 80 фото
Форд Мондео 3, отзывы владельцев об автомобиле ...
Бензиновий генератор Metallo 3,5кВ, 3,5 kW: 5 8...
Форд мондео 3 тюнинг (50 фото) - красивые карти...