Схема регулятора напряжения входным напряжением
Регулятор напряжения и тока для зарядного устро...
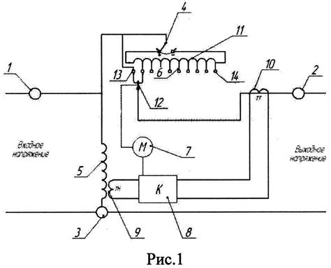
УСТРОЙСТВО ДЛЯ РЕГУЛИРОВАНИЯ НАПРЯЖЕНИЯ СЕТИ
Как подключить регулятор напряжения 220в схема ...
4000 Вт 220 В AC SCR регулятор напряжения димме...
4000 Вт AC 220 В SCR Электрический регулятор на...
Стабилизаторы сетевого напряжения: виды и назна...
Регулятор напряжения сети. — Радиомастер инфо
Реле регулятор напряжения сложный электронный п...
Установка стабилизатора напряжения в доме: сове...
Схема подключения регулятора напряжения. Реле р...
Купить регулятор напряжения электрический 2 кВт...
Регулятор сетевого напряжения
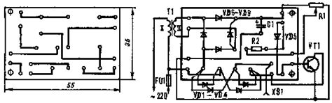
Регулятор напряжения - чертеж электрической схемы
Методика проверки такая же. Интегральные реле р...
Как проверить реле-регулятор генератора мультим...
Как подключить стабилизатор напряжения на весь ...
Схема подключения реле напряжения
Регулятор напряжения 220 В
Автоматический регулятор напряжения трансформат...
Регулятор напряжения 12 вольт своими руками схе...
регулятор напряжения, стабилизатор напряж 220 в...
Схема підключення реле напруги
Регуляторы напряжения.
Индукционный регулятор напряжения - устройство,...
Стабилизатор напряжения 12 вольт (регулятор) св...
Реле регулятора напряжения генератора, где нахо...
Регулятор напряжения 220 В своими руками: схемы...
Ступенчатый регулятор напряжения » Электрик Инфо
ЭЛЕКТРОННЫЕ РЕГУЛЯТОРЫ НАПРЯЖЕНИЯ
Регулятор напряжения сети 220В, 2000W (диммер) ...
Регулятор напряжения (220В-2кВт) | Купить оптом...