Монтаж извещателя пожарного ручного ипр 3су
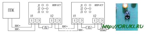
Схема подключения ИПР 3СУ, ИПР-И, ИПР-Кск, ИПР ...
Извещатель пожарный ручной ИПР-3СУ, ИПР-3СУМ - ...
Пожарные извещатели Ирсэт-Центр
ИПР 3СУ: схема подключения и способы выбора опт...
Извещатель пожарный ИПР-3СУМ ручной артикул ИПР...
Ипр 3сум схема подключения к сигнал 20
Ипр 513 3сум а схема подключения
1 простая схема подключения ипр-3сум с пояснениями
ИПР-3СУМ извещатель пожарный ручной купить в Са...
Извещатель пожарный ручной ИПР-3СУМ (513-3СУМ-А...
ИПР-3СУ извещатель пожарный ручной
ИПР-3СУМ извещатель пожарный ручной, СРЕДСТВА И...
Ипр 3су Схема Подключения - tokzamer.ru
ГБ-ИПР-3СУ исп.2
ИПР-3СУМ Извещатель пожарный ручной - Компания ...
как менялся ИПР 3су и 3сум - YouTube
Ирсэт ипр 3су схема подключения
Как подключить ипр 3су к граниту
Герметичный бокс ГБ-ИПР-3СУМ Герметичный бокс д...
Ипр пожарная сигнализация схема подключения
ИПР-3СУМ (ИП 513-3СУМ-А) Извещатель пожарный ру...
Ипр-3сум | Festima.Ru - Мониторинг объявлений