Heat exchanger oring kit 09G 001409069 00140906...
MC14069UBFELG onsemi - Datasheet PDF & Technica...
14144690 Glühlampe, Blinkleuchte, Hauptscheinwe...
DIN 1469 C 4 x 25 St | Stahl | blank | 4 | 25 |...
Linka zmiany biegów Focus MK I (FORD oryginał-1...
kk140617069 - Bilder i syd
1406190 General Motors сравнить цены на Автопро
90539246 Genuine Engine Mounting and Transmissi...
MC14069UBDG 14 SOIC MC14069UB 14069 MC14069 140...
Original-MC14069UBDR2G-MC14069-MC14069UG-SOP-14...
20190106_145634
AUDI A7 Sportback 4GA, 4GF Schlauch Kühlung 4G0...
1469714 Automobile alternator_Shiyan Tianguan I...
Wasserkühler passend für 1403169 1407723 - KUEH...
(แพ็ค1ชิ้น) IC HD14069UBP HD14069 Hitachi ของแท...
Katalog : 1459 - Ø60
Ausgepackt
1497969 Корпус топливного фильтра Scania - O-CA...
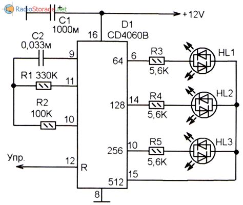
14069ug схема включения - 80 фото
S1469 UNIGOM Charger Intake Hose AUTODOC price ...
Glühlampe, Blinkleuchte 14144690 OE-Nummer onli...
1460916 Ford сравнить цены на Автопро
1769-00_14 – CUBIC CORE
14069UG ON Other Components - Veswin Electronics
140913_0009 – ulligunde.com
14069Ug схема включения - Фото подборки 3
1407619 : 반도체
14069UG Control units chips for automobiles
OEM no. 1491380 | Ausgl.scheibe marke Scania au...
MC14069UBDR2G原装正品现货 SOP14六反相器丝印1406...
1404969 Opel сравнить цены на Автопро
14013
Semiconductor: MC14069UBCP (MC 14069UBCP) - HEX...
20210904_143016 | elektrikforen.de
ELTROPA - Produkt 4969189