Estação De Solda Retrabalho Ar Quente Yaxun 852...
Yaxun 852D Hot Air Gun And Soldering 2 in 1 SMD...
مشخصات، قیمت و خرید هیتر و هویه دیجیتال یاکسون ...
Hot Air Gun Yaxun 852D+ 2 in 1 SMD Rework Stati...
YAXUN-850 - repco.ir
YAXUN 852D+ HOT AIR + SOLDERING IRON STATION
yaxun 852D hot air gun and soldering 2 in 1 SMD...
Паяльная станция цифровая Ya Xun 852D с феном
هیتر مادون قرمز چهارکاره YAXUN 862D
خریدهیتر و هویه دو کاره دیجیتال +Yaxun YX-852D ...
Free shipping YAXUN 881D 2 in 1 SMD hot air and...
Lehim aparatı "Yaxun 852D" (fen+payalnik), elan...
Yaxun 852 com defeito no compressor de ar - Fer...
YAXUN YX-878D+ 2 in 1 SMD hot air and soldering...
ست پیچ گوشتی یاکسون YAXUN YX-8185
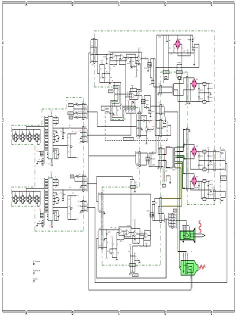
YaXun 702 - 852+ Free.pdf
STATION FER AIR CHAUD YAXUN 852D+
هیتر و هویه اصلی یاکسون YAXUN 878D PLUS - پارسا...
Yaxun Intelligent Lead Free SMD Rework Station ...
YaXun 702 - 852+ Free PDF | PDF
Yaxun Smd Rework Soldering Station YX852 – slsh...
Паяльная станция Yaxun 852D+ — купить в Красноя...
Stacja lutownicza Yaxun YX-881D - 13368879072 -...
قیمت ست پیچ گوشتی Yaxun YX-8182 - ماکروتل