Инвертор с чистой синусоидой TATALIKEN 1000/250...
Купить ИБП с чистой синусоидой синусоидой 12V L...
Преобразователь напряжения 12/220 I-Power DA 35...
Многофункциональный преобразователь напряжения ...
Инвертор-преобразователь напряжения с чистой си...
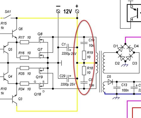
Схема преобразователя напряжения 12 220в с чист...
Инвертор напряжения с чистой синусоидой Power P...
Lenz Technic R500W – стабилизатор напряжения дл...
Стабилизатор Ресанта АСН-10000/1 Цена: 97900 KZ...
3в1! ИБП 12В 220В 1000/2000вт! Инвертор с чисто...
Купить ИБП стабилизатор напряжения LogicPower с...
Инвертор с чистой синусоидой и функцией зарядки...
Инвертор напряжения с чистой синусоидой 1500W
ᐉ Инвертор 12-220V с чистой синусоидой 2600W (2...
Инвертор с чистой синусоидой и зарядкой MEXXSUN...
Инвертор напряжения с чистой синусоидой 1600W Gold
ИБП (UPS) с чистой синусоидой 500Va
UPS с чистой синусоидой для квартиры Volt Polsk...
Инвертор напряжения с чистой синусоидой для кот...
Инвертор напряжения с чистой синусоидой 3000W P...
ИБП с правильной синусоидой 12V LPY-B-PSW-500VA...
Инвертор с Чистой/Правильной Синусоидой. Преобр...