Мтз задняя навеска, и возможности ее модернизац...
Фотографию Мтз 80 – Telegraph
МТЗ-80: технические характеристики
Цилиндр навески МТЗ-80/82, артикул Ц100х200-З -...
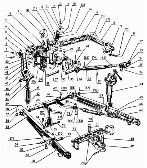
Механизм навески тракторов МТЗ-80, МТЗ-82
Технические характеристики трактора МТЗ-80 - ус...
Серьга МТЗ-80,МТЗ-82,МТЗ-892 задней навески в с...
Все о тракторе МТЗ-80 | интернет-магазин Belaru...
Механизм навески трактора мтз 80 - tractoramtz.ru
Купить запчасти МТЗ-80 |Производство запчастей ...
Навеска задняя мтз-80 купить в Мелеузе МТЗ (Мин...
Схема - Подвеска сиденья МТЗ 80Х/100Х
Мтз 80 ттх: Краткий обзор трактора «БЕЛАРУС» МТ...
МТЗ 80 по запчастинах: 10 000 грн. - Для сільго...
Мтз 80 вид сзади: Трактор МТЗ-80 Беларус - техн...
Задняя Навеска Мтз 80 Фото – Telegraph
Продам МТЗ-80, купить МТЗ-80, Запорожская обл —...
Вом Мтз 80 Устройство Фото – Telegraph