Online Demo Class BQ25601 IC Datasheet ( GR, Vo...
BQ25606: Over-voltage and Overheating Queries -...
BQ25601 - mobileic
BQ25601 QFN Charging IC - Martview
BQ25601: How to Set the System output voltage (...
BQ25601: BQ25601 output issue without battery -...
BQ25601: how to run standalone charging - Power...
BQ25601: BQ25601 work abnormal - Power manageme...
BQ25601 D (OG) IC - AKINFOTOOLS
Bq25601
BQ25601: bq25601 - Power management forum - Pow...
BQ25601 CHARGING IC FOR REDMI NOTE 5/5/5A
BQ25601: BQ25601 Input 12V protection - Power m...
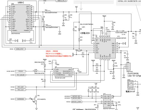
BQ25601: schematic review - Power management fo...
BQ25601: BQ25601 VQON - Power management forum ...
BQ25601: BQ25601 - Power management forum - Pow...
BQ25601: BQ25601 OTG5V problem - Power manageme...
BQ25601: BQ25601 charge status issue - Power ma...
Power IC Module BQ25601 – Alexnld.com
BQ25601: BQ25601 charge - Power management foru...
BQ25601: BQ25601 charge query - Power managemen...
BQ25601: Power On Reset - Power management foru...
BQ25601: -10'C ~ 0'C couldn't charging & couldn...
100%New BQ25601 BQ25896 BQ25890 BQ24297 BQ24259...
BQ25601D Charge Control IC - KB GSM STORE BQ256...
5-10pcs Bq25601rtwr Bq25601 Qfn-24 - Integrated...
5PCS/LOT 1608A1 1608 36pins charger charging ic
Mobile Spare Parts Wholesale and Repairing Tools
(1piece)100% New Bq25700 Bq25601 Bq25896 Bq2429...
BQ25601: BQ25601 SYS output abnormal - Power ma...
BQ25601 IC - AKINFOTOOLS