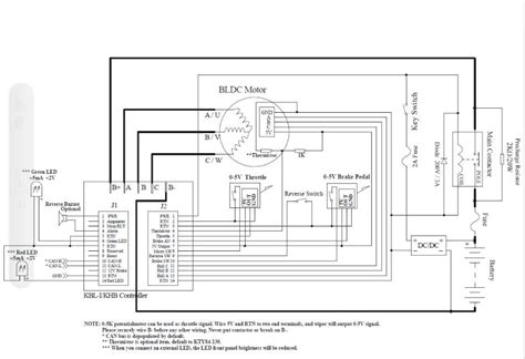
Схема контроллера электросамоката 48v
Контроллер та дисплей для переобладнання електр...
ROZETKA | Контроллер для самоката, 48V - 64V, 3...
Контроллер для электросамоката — купить в Красн...
ROZETKA | Електросамокат Tesla 1200 (48V 1000W ...
Електросамокат 24V: 1 200 грн. - Електросамокат...
КОНТРОЛЛЕР 48V 1200W ДЛЯ БЕСКОЛЛЕКТОРНЫХ ДВИГАТ...
Электродвигатель 48V 1200W бесколлекторный с ре...
Купить 48V 1500w Электрический велосипед бескол...
ROZETKA | Контроллер мотор колеса для электрове...
Контроллер 48 вольт 1000 ватт для коллекторного...
Ελεγκτής Controller 1000W 48V Αδιάβροχος Contro...
Самодельный электросамокат (продолжение) / Хабр
Контроллер 48V электросамоката Joyor — купить в...
Купить 48V 500w кисти контроллер двигателя коро...
Контроллер 48V 60V 72V 120V 1500W 45A Електрове...
Контроллер 48V 1000W для детского квадроцикла р...
КОНТРОЛЛЕР 60V 1200W ДЛЯ ЭЛЕКТРОСАМОКАТА CITY C...
Купить 48V 500w контроллер электрических велоси...
Контроллер 48v 1000w
КОНТРОЛЛЕР 48V 1000W ДЛЯ БЕСКОЛЛЕКТОРНЫХ ДВИГАТ...
Контроллер управления электроквадроцикла 48V 10...
контроллер управления электродвигателем 48v 1000W
Контроллер 60V (48V+) 350-500W для всех видов э...
Контроллер для Электросамоката 48V/500W(12 Клем...
Контроллер для электросамоката схема подключени...