Система тормозов урал 4320 – Telegraph
Замена тросика спидометра урал 4320 - 86 фото
Урал 4320 вес: УРАЛ-4320 () (4320, 43202)- опис...
Урал 4320 заправочные емкости: УРАЛ-4320 () (43...
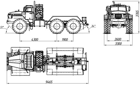
Урал 4320: технические характеристики, фото, ви...
Урал 4320 технические характеристики
Урал 4320 максимальная скорость: УРАЛ-4320 () (...
Автомобиль Урал-4320, технические характеристики
Самопогрузчик Урал 4320 - купить, Миасс, №217820
Двухсекционный тормозной кран Автомобили УРАЛ-4...
Распиновка спидометра урал 4320 электронный
Урал 4320 - технические характеристики: шасси, ...
Урал-4320 - обзор, технические характеристики, ...
Урал 4320
Урал-4320, продажа, цена 500 000₽ ⋆ Техклуб
Ведущие мосты Автомобили УРАЛ-4320-10, УРАЛ-432...
Урал-4320
Передний мост УРАЛ-4320
УралАЗ УРАЛ-4320
Урал 4320 колея: Урал 4320 технические характер...
Мощность урал 4320: УРАЛ-4320 () (4320, 43202)-...