TPS3510P datasheet(1/13 Pages) TI | PC POWER SU...
Product-BS3510-Bikeservice
10pcs/lot TPS3510P TPS3510 DIP 8|dip-8|p p - Al...
TPS3510 datasheet(3/18 Pages) TI1 | PC POWER SU...
10PCS TPS3510 TPS3510DR PS3510 SOP-8 #K1995 | eBay
TPS3510 TPS3510DR new imported chips Hot super ...
TSX3510P - PROGRAMMABLE POWER SUPPLY
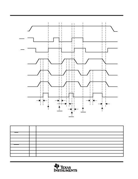
TPS3510P datasheet(7/13 Pages) TI | PC POWER SU...
TPS3510 TI Power ICs - Veswin Electronics
100pcs/lot TPS3510 TPS3510P DIP 8|Replacement P...
Микросхема LP7510 (TPS3510) - YouTube
TPS3510P datasheet(4/13 Pages) TI | PC POWER SU...
(1PCS) TPS3510P IC 3.5V POWER SUPP MONITOR 8-DI...
10PCS-TPS2811P-TPS2812P-TPS2814P-TPS3510P-5510P...
T3510 (3) — Postimages
TPS3510P Datasheet(PDF) - Texas Instruments
5PCS-LOT-TPS3510P-TPS3510-DIP-8-Power-Monitorin...
TPS3510: TPS35AA38AGADDFR - Power management fo...
TPS3510: Problem with Vdd - Power management fo...
TPS3510P Original supply, US $ 0.38-0.40 , Mult...
TPS3513 Datasheet(PDF) - Texas Instruments
TPS3510 Datasheet - Texas Instruments
TTI TSX3510P | Leasametric
TPS3510P datasheet(12/13 Pages) TI | PC POWER S...
TPS3703B3080DSERQ1 | Texas Instruments | Monito...
TPS3510P datasheet(6/13 Pages) TI | PC POWER SU...
TPS3510 TPS3510P DIP8 genuine chip|chip ricoh|c...
1pcs-TPS3510P-TPS3510-Power-circuit-monitor-in-...
TPS63710: TPS63710 Layout Review - Power manage...
TPS3510P datasheet(2/13 Pages) TI | PC POWER SU...
TPS54310PWP | Aegis Components
5pcs TPS3510DR TPS3510 PS3510 SOP8 | eBay
50PCS TPS3510 TPS3510DR PS3510 SOP-8 | eBay