Прибор комбинированный ц4324 инструкция
Цешка, советский тестер Ц20, Ц4324 и учебный те...
Ц4324- прибор комбинированный (СССР 1988г) (3Ч)...
Прибор ц4324 монтажная схема
Комбинированный прибор "Ц4324" | RadioNic.ru
Прибор комбинированный Ц4324 - Измерения - Порт...
Ц4324 прибор комбинированный купить и узнать це...
Комбинированный прибор ''Ц4324''.
Прибор комбинированный Ц4324 (тестер) купить в ...
Прибор ц4324 схема
Прибор Ц4324 | МЕТРОЛОГ
Тестер Ц4324 — Общение — Корзина — Price-Altai.ru
Принципиальная схема и перечень элементов прибо...
Ц4324 Комбинированный измерительный прибор схем...
Прибор комбинированный Ц4324 - Измерения - Прид...
Тестер Ц4324 Инструкция - unitauto
Vielfachmeßgerät C4324 {Ц4324} [U4324] Equipmen...
Прибор комбинированный Ц4324 паспорт и схема - ...
Ц4324 прибор комбинированный - купить в интерне...
Ц4324 - Комбинированный измерительный прибор, с...
Мультиметр Ц4324 — cхемы цепей измерения в разл...
Ц4324 тестер, прибор комбинированный (ID#109954...
Ц4324. КОМБИНИРОВАННЫЙ ПРИБОР (ТЕСТЕР). ПОЛНАЯ ...
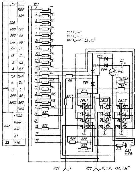
Принципиальная схема прибора Ц4324
Ц4324 Комбинированный прибор. Назначение прибор...
Комбинированный измерительный прибор Ц4324 тест...