предохранитель багажника форд фокус 2 какой
Электропривод багажника — DRIVE2
Замена замка багажника ФОРД Фокус 2 — Ford Focu...
Gem модуль форд фокус 2 где находится - 88 фото
Форд фокус 2 предохранитель магнитолы: Предохра...
Цвет провода концевика двери форд фокус 2
Электропривод багажника Форд Фокус. Кто сделает...
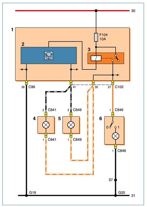
Электросхема габаритов Ford Focus 2
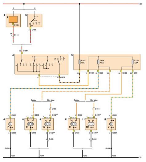
Электросхемы форд фокус 2
Джойстик магнитолы Форд Фокус 2 — DRIVE2
Интересный, но недоделанный проект ( разгребая ...
Перенос кнопки открывания багажника форд фокус ...
Схема подсветки багажника форд фокус 2
Предохранитель прикуривателя форд фокус 2 реста...
Форд фокус 2 электрическая схема: Электросхема ...
Течь, вода в багажнике форд фокус 2 хэтчбек. — ...
Открыть багажник форд фокус 2 изнутри – Открыти...
Не открывается багажник форд фокус – , Ford Foc...
Потерял ключи от автомобиля…продолжение. — Сооб...
Крепление полки багажника форд фокус 2 хэтчбек ...
Форд Фокус 2 блок предохранителей
форд фокус 2 предохранители в салоне - Автомоби...
Крышка багажника Форд Фокус 2 Универсал купить ...
Электросхема освещения багажника Ford Focus 2
Грузоподъемность форд фокус 2: Грузоподъемность...
электропривод багажника на Ford Escape (3G), Fo...
Нужна сабля багажника форд фокус 2 рестайл хетч...
Схема багажника форд фокус 2 хэтчбек
Предохранители и реле форд фокус 2: Предохранит...
Пост помощи (электропривод багажника) — Ford Fo...