Термостат для холодильника Whirlpool K59-S2785/...
Термостат для холодильника от компании "Холод Т...
Термостат для Холодильника K-59 L=1,3м.Китай. —...
Термостат для холодильника универсальный K59-1 ...
Термостат RANCO K57-L2829 холодильника (2.5м.) ...
Купить Термостат К57-L2829 для морозильных каме...
Термостат для холодильника Stinol, Indesit, Ari...
к59 Как проверить K-59 прозвонить термостат тер...
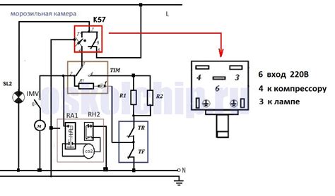
Термостат к57 схема подключения - 97 фото
Терморегулятор K59 L1275 для холодильников и мо...
Купити Термостат (Терморегулятор) для холодильн...
Термостат для холодильника - xclean.info
Купити T-57-3 Термос дитячий 500 мл, Питний тер...
Thermostat K-59 1.2 analog L1275 Buy 0000001407...
K57 – Die 15 besten Produkte im Vergleich - Win...
Термостат для холодильника: терморегулятор, рег...
Термостат для холодильника K50-P1125 купить на ...
Термостат за хладилник К60, Универсален - eMAG.bg
Термостат холодильника К59 L1275 - БЫТ-ЗАПЧАСТЬ
Терморегулятор для холодильника К50
Термостат для холодильников
Термостат для холодильника К-59 2,5М
Купить Термостат холодильника К50 / К54 / К 56 ...
Термостат К-59 1.2 м. Запчасти для холодильнико...
Как проверить терморегулятор холодильника
Термостат для холодильника. - ЗАПЧАСТИ и РЕМОНТ...
Thermostat LIEBHERR K57-L5861
Купити Терморегулятор (термостат) для холодильн...
Термостат холодильника K-59 1,2 м. кіт., ціна 8...
Термостат для холодильника Универсальный -35°С ...